LV5680
- دستهبندی: تغذیه سوئیچینگ
- کد محصول: TS5416
- امتیاز محصول: 700
- موجود درانبار: ناموجود
- ۶,۶۲۵,۸۰۵ ریال ۶,۱۹۲,۳۴۱ ریال
-
محصول شامل دیتاشیت میباشد.
LV5680 Four regulator output systems
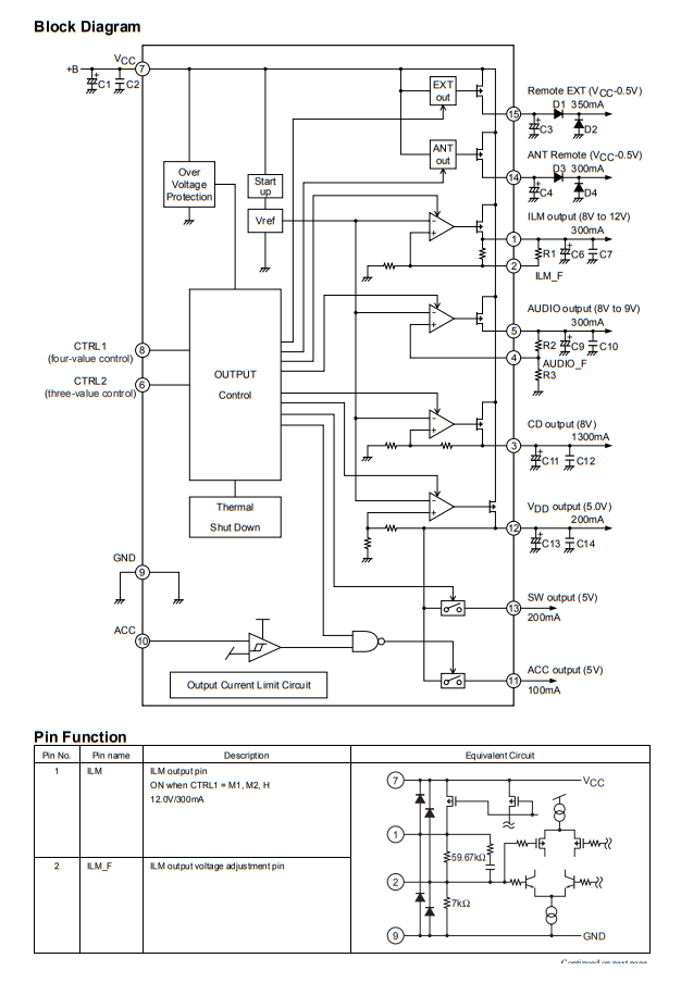
آی سی LV5680 از سری آی سی های سوئیچینگ (multi power supply) با 4 خروجی تنظیم کننده ولتاژ می باشد که در سیستم صدای ماشین ها کاربرد فراوان دارد. از دیگر کاربرد های این آی سی استفاده به عنوان تغذیه در میکروکنترلر با ولتاژ خروجی 5v و جریان خروجی 200mA، تغذیه CD Driver با خروجی ولتاژ 8v و جریان خروجی 1300mA، در سیستم های روشنایی با خروجی ولتاژ 8-12v (قابل تنظیم با مقاومت خارجی) و جریان خروجی 300mA، سیستمهای صدا با خروجی ولتاژ 8 تا 9v و جریان خروجی 300mA و... می باشد.
برای مشاهده پایه ها و ساختار داخلی آی سی LV5680 به تصویر زیر مراجعه کنید:
برای مشاهده سایر آی سی های کاربردی در تغذیه های سوئیچینگ به لینک زیر مراجعه نمایید:
انواع آی سی کاربردی در تغذیه های سوئیچینگ
برای دریافت دیتاشیت آی سی LV5680 می توانید به نوار دیتاشیت محصول مراجعه نمایید.
برای خرید آی سی LV5680 به صورت اینترنتی می توانید از همین صفحه اقدام نمایید.
جهت دریافت فایل بر روی نام آنها کلیک نمایید

ثبت دیدگاه
حساب کاربری
جهت ثبت دیدگاه نیاز به ورود به حساب کاربری میباشد، قبلا ثبتنام کردهاید ؟ وارد شوید
کاربر گرامی، دیدگاه شما پس از تایید تیم مدیریت جهت دیگر کاربران نمایش داده خواهد شد.