HEF4093BT smd

HEF4093BT smd
جهت مشاهده گالری بر روی تصاویر کلیک نمایید.
  • دسته‌بندی: CMOS smd
  • کد محصول: TS39354
  • امتیاز محصول: 700
  • موجود درانبار: موجود
  • ۱۴۸,۷۳۰ ریال ۱۳۹,۰۰۰ ریال
  • دیتاشیت را دریافت نمایید محصول شامل دیتاشیت می‌باشد.

+
-

QUAD 2-INPUT NAND SCHMITT TRIGGER

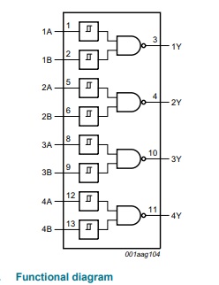
آی سی HEF4093BT , یک آی سی از سری آی سی های CMOS با تعداد پایه 14 پایه می باشد. پکیج آی سی HEF4093BT smd , پکیج SOP-14 می باشد. آی سی HEF4093BT یک آی سی با چهار ورودی NAND است که هر ورودی دارای مدار اشمیت تریگر می باشد. آی سی HEF4093 کاربرد های فراوانی از جمله کنترل دور موتور DC با PWM دارد.

برای مشاهده و درک بهتر گیت های آی سی HEF4093 به تصویر زیر توجه نمایید:

انواع آی سی های CMOS

برای مشاهده سایر آی سی های CMOS با پکیج SMD به لینک زیر مراجعه نمایید:

انواع آی سی CMOS smd

برای دریافت دیتاشیت آی سی HEF4093BT می توانید به نوار دیتاشیت محصول مراجعه نمایید

ثبت دیدگاه

کاربر گرامی، دیدگاه شما پس از تایید تیم مدیریت جهت دیگر کاربران نمایش داده خواهد شد.

جهت دریافت فایل بر روی نام آن‌ها کلیک نمایید

شاید مورد نیازتان شود

تخفیف‌های ویژه

با عضویت در وبسایت از تخفیف‌های ویژه برخوردار خواهید شد، کدهای تخفیف تنها برای اعضا گرانقدر وبسایت ارسال خواهد شد.

دارای مجوز

تمامی كالاها، دارای مجوزهای لازم از مراجع مربوطه مي‌باشند و فعایت فروشگاه تابع قوانين جمهوری اسلامی ايران است.