MP3378E smd

MP3378E smd
جهت مشاهده گالری بر روی تصاویر کلیک نمایید.
  • دسته‌بندی: تغذیه سوئیچینگ
  • کد محصول: TS34822
  • امتیاز محصول: 700
  • موجود درانبار: موجود
  • ۸۴۱,۵۵۵ ریال ۷۸۶,۵۰۰ ریال
  • دیتاشیت را دریافت نمایید محصول شامل دیتاشیت می‌باشد.

+
-

MP3378E 4-Channel WLED Controller with High-Efficiency Buck Converter

آی سی MP3378BE smd یک آی سی راه انداز برای مانیتور است. آی سی MP3378BE این شامل یک کنترلر افزاینده با 4 کانال جریانی برای نور پس زمینه و مبدل (Buck) با ولتاژ بالا برای ولتاژ داخلی و یا قدرت آماده به کار است. از ویژگی های این آی سی پشتیبانی از هر دو مد آنالوگ و PWM و همچنین مدارهای محافظت داخلی (شامل OCP, OTP, UVP, OVP, LED short/open protection and inductor/diode short protection) می باشد. رنج ولتاژ ورودی این آی سی از 5 تا 24 ولت است.

برای مشاهده پایه های آی سی MP3378 به تصویر زیر مراجعه کنید:

پایه های آی سی MP3378


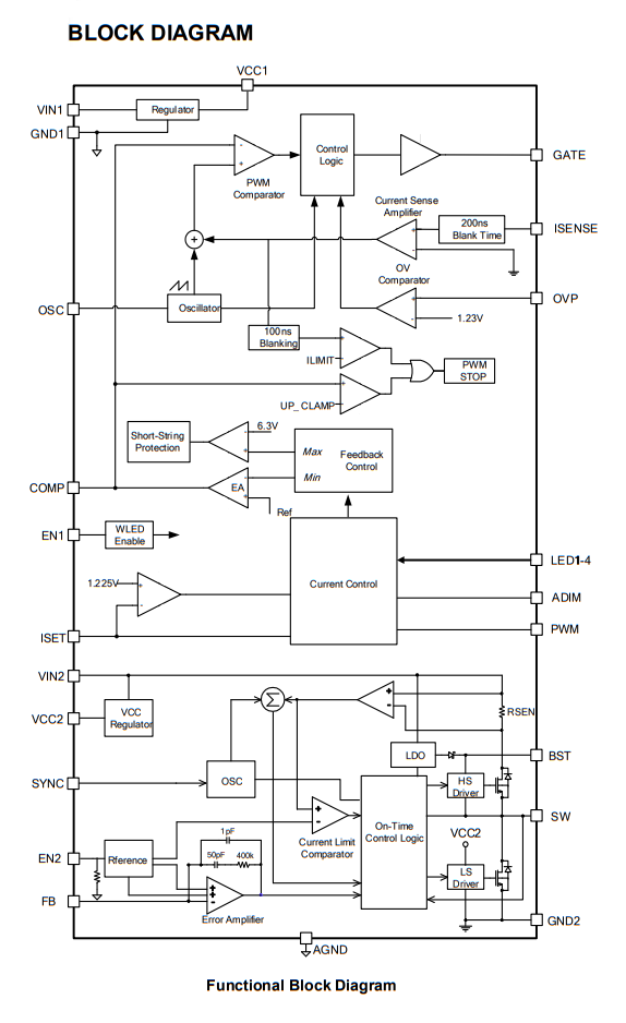
برای مشاهده ساختار داخلی آی سی MP3378 به تصویر زیر مراجعه کنید:

ساختار داخلی آی سی MP3378



FEATURES

WLED Controller

  • 4-String, Max 350mA/String, WLED Controller
  • Up to 24V Input Voltage Range
  • 2.5% Current Matching Accuracy
  • Programmable Switching Frequency
  • PWM and Analog Dimming Mode
  • LED Open and Short Protection
  • Programmable Over-Voltage Protection
  • Recoverable Thermal Shutdown Protection
  • Over-Current Protection
  • Over-Temperature Protection
  • Inductor/Diode Short Protection

Buck Converter

  • 144mΩ/80mΩ Low RDS(ON) Internal Power MOSFETs
  • Low Quiescent Current
  • Fixed 235kHz Switching Frequency
  • Frequency Sync from 250kHz to 2MHz
  • External Clock
  • Internal Soft Start
  • OCP and Hiccup Mode
  • Over-Temperature Protection
  • Output Adjustable from 0.8V


APPLICATIONS

  • Desktop LCD Flat Panel Displays
  • Flat Panel Video Displays
  • 2D/3D LCD TVs and Monitors


برای مشاهده سایر آی سی های کاربردی در تغذیه های سوئیچینگ به لینک زیر مراجعه نمایید:

انواع آی سی کاربردی در تغذیه های سوئیچینگ

برای دریافت دیتاشیت آی سی MP3378 می توانید به نوار دیتاشیت محصول مراجعه نمایید.

برای خرید آی سی MP3378 به صورت اینترنتی می توانید از همین صفحه اقدام نمایید.

ثبت دیدگاه

کاربر گرامی، دیدگاه شما پس از تایید تیم مدیریت جهت دیگر کاربران نمایش داده خواهد شد.

جهت دریافت فایل بر روی نام آن‌ها کلیک نمایید

شاید مورد نیازتان شود

تخفیف‌های ویژه

با عضویت در وبسایت از تخفیف‌های ویژه برخوردار خواهید شد، کدهای تخفیف تنها برای اعضا گرانقدر وبسایت ارسال خواهد شد.

دارای مجوز

تمامی كالاها، دارای مجوزهای لازم از مراجع مربوطه مي‌باشند و فعایت فروشگاه تابع قوانين جمهوری اسلامی ايران است.