SN7412

SN7412
جهت مشاهده گالری بر روی تصاویر کلیک نمایید.
  • دسته‌بندی: TTL
  • کد محصول: TS2319
  • امتیاز محصول: 700
  • موجود درانبار: موجود
  • ۲۰۰,۳۳۸ ریال ۱۸۷,۲۳۲ ریال
  • دیتاشیت را دریافت نمایید محصول شامل دیتاشیت می‌باشد.

+
-

SN7412

آی سی SN7412 از سری آی سی های TTL شامل سه عدد گیت NAND سه ورودی می باشد که دارای 9 ورودی و 3 خروجی است. از ویژگی های این آی سی میتوان به خروجی Open collector آن اشاره کرد که نیاز به مقاومت پول آپ دارد.

برای مشاهده جدول درستی آی سی SN7412 به جدول زیر مراجعه کنید:

جدول درستی آی سی SN7412


برای مشاهده پایه های آی سی SN7412 به تصویر زیر مراجعه کنید:

پایه های آی سی SN7412


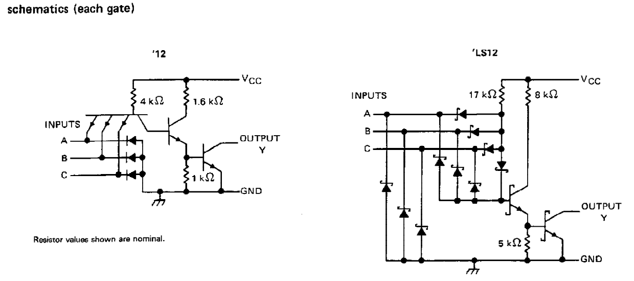
برای مشاهده ساختار داخلی آی سی SN7412 به تصویر زیر مراجعه کنید:

ساختار داخلی آی سی SN7412


برای مشاهده سایر آی سی های TTL مدل DIP به لینک زیر مراجعه نمایید:

انواع آی سی TTL پکیج DIP

برای مشاهده سایر آی سی های TTL مدل smd به لینک زیر مراجعه نمایید:

انواع آی سی TTL پکیج smd

برای مشاهده دیتاشیت آی سی SN7412 می توانید به نوار دیتاشیت محصول مراجعه نمایید.

برای خرید آی سی SN7412 به صورت اینترنتی می توانید از همین صفحه اقدام نمایید.

ثبت دیدگاه

کاربر گرامی، دیدگاه شما پس از تایید تیم مدیریت جهت دیگر کاربران نمایش داده خواهد شد.

جهت دریافت فایل بر روی نام آن‌ها کلیک نمایید

شاید مورد نیازتان شود

تخفیف‌های ویژه

با عضویت در وبسایت از تخفیف‌های ویژه برخوردار خواهید شد، کدهای تخفیف تنها برای اعضا گرانقدر وبسایت ارسال خواهد شد.

دارای مجوز

تمامی كالاها، دارای مجوزهای لازم از مراجع مربوطه مي‌باشند و فعایت فروشگاه تابع قوانين جمهوری اسلامی ايران است.