CD4029BE org

CD4029BE org
جهت مشاهده گالری بر روی تصاویر کلیک نمایید.
  • دسته‌بندی: CMOS
  • کد محصول: TS34855
  • امتیاز محصول: 700
  • موجود درانبار: موجود
  • ۸۹۳,۳۴۳ ریال ۸۳۴,۹۰۰ ریال
  • دیتاشیت را دریافت نمایید محصول شامل دیتاشیت می‌باشد.

+
-

CD4029 Syn Up/Down Bin Counter-CMOS

آی سی CD4029 شامل یک شمارنده (دودویی یا ده دهی) 4 بیتی افزایشی و کاهشی (up/down conter) می باشد که دارای 4 ورودی دیتا و یک ورودی کلاک پالس و 4 خروجی به همراه یک بیت سرریز است. خروجی ها با توجه به حالت ورودی تعیین میشوند.

برای مشاهده پایه های آی سی CD4029 به تصویر زیر مراجعه کنید:

پایه های آی سی CD4029


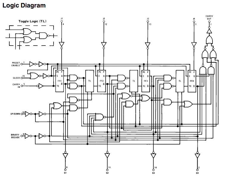
برای مشاهده ساختار داخلی آی سی CD4029 به تصویر زیر مراجعه کنید:

ساختار داخلی آی سی CD4029


Features

  • Wide supply voltage range 3V to 15V
  • High noise immunity 0.45 VDD (typ.)
  • Low power fan out of 2 TTL compatibility driving 74L or 1 driving 74LS
  • Parallel jam inputs
  • Binary or BCD decade up/down counting


برای مشاهده سایر آی سی های CMOS به لینک زیر مراجعه کنید:

انواع آی سی های CMOS

برای دریافت دیتاشیت آی سی CD4029 به نوار مخصوص دیتاشیت محصول مراجعه نمایید.

برای خرید آی سی CD4029 به صورت اینترنتی می توانید از همین صفحه اقدام نمایید.

ثبت دیدگاه

کاربر گرامی، دیدگاه شما پس از تایید تیم مدیریت جهت دیگر کاربران نمایش داده خواهد شد.

جهت دریافت فایل بر روی نام آن‌ها کلیک نمایید

شاید مورد نیازتان شود

تخفیف‌های ویژه

با عضویت در وبسایت از تخفیف‌های ویژه برخوردار خواهید شد، کدهای تخفیف تنها برای اعضا گرانقدر وبسایت ارسال خواهد شد.

دارای مجوز

تمامی كالاها، دارای مجوزهای لازم از مراجع مربوطه مي‌باشند و فعایت فروشگاه تابع قوانين جمهوری اسلامی ايران است.