SN7421
SN7421 DUAL 4-INPUT POSITIVE-AND GATES
آی سی SN7421 از سری آی سی های TTL شامل 4 عدد گیت AND چهار ورودی می باشد که دارای 8 ورودی و 2 خروجی است و خروجی ها با توجه به حالت ورودی ها تعیین می شوند. گستره ولتاژ تغذیه این آی سی از 4.75 تا 5.25 ولت است. برای مشاهده جدول درستی آی سی SN7421 به تصویر زیر مراجعه کنید:
برای مشاهده پایه های آی سی SN7421 به تصویر زیر مراجعه کنید:
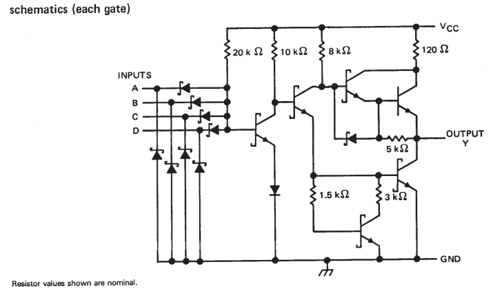
برای مشاهده ساختار داخلی آی سی SN7421 به تصویر زیر مراجعه کنید:
برای مشاهده سایر آی سی های TTL مدل DIP به لینک زیر مراجعه نمایید:
برای مشاهده سایر آی سی های TTL مدل smd به لینک زیر مراجعه نمایید:
برای مشاهده دیتاشیت آی سی SN7421 می توانید به نوار دیتاشیت محصول مراجعه نمایید.
برای خرید آی سی SN7421 به صورت اینترنتی می توانید از همین صفحه اقدام نمایید.
جهت دریافت فایل بر روی نام آنها کلیک نمایید




ثبت دیدگاه
حساب کاربری
جهت ثبت دیدگاه نیاز به ورود به حساب کاربری میباشد، قبلا ثبتنام کردهاید ؟ وارد شوید
کاربر گرامی، دیدگاه شما پس از تایید تیم مدیریت جهت دیگر کاربران نمایش داده خواهد شد.