CD4022
CD4022
آی سی CD4022 شامل یک شمارنده 8 بیتی می باشد و دارای یک ورودی کلاک و یک فعال ساز کلاک و 8 خروجی و یک بیت کری است. خروجی توسط حالت ورودی ها تعیین می گردد. این آی سی در ابزار دقیق, الکترونیک پزشکی, سیستم های هشدار دهنده و... کاربرد دارد.
برای مشاهده پایه های آی سی CD4022 به تصویر زیر مراجعه کنید:
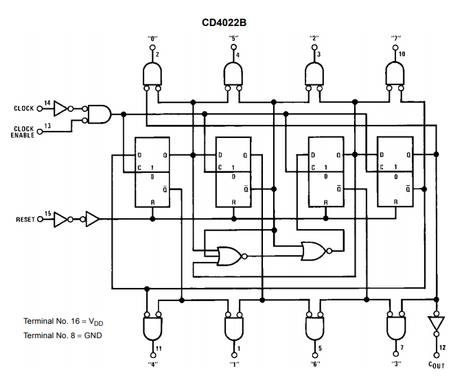
برای مشاهده ساختار داخلی آی سی CD4022 به تصویر زیر مراجعه کنید:
Features
- Wide supply voltage range: 3.0V to 15V
- High noise immunity: 0.45 VDD (typ.)
- Low power Fan out of 2 driving 74L TTL compatibility: or 1 driving 74LS
- Medium speed operation: 5.0 MHz (typ.) with 10V VDD
- Low power: 10 µW (typ.)
- Fully static operation
برای مشاهده سایر آی سی های CMOS به لینک زیر مراجعه کنید:
برای دریافت دیتاشیت آی سی CD4022 به نوار مخصوص دیتاشیت محصول مراجعه نمایید.
برای خرید آی سی CD4022 به صورت اینترنتی می توانید از همین صفحه اقدام نمایید.
جهت دریافت فایل بر روی نام آنها کلیک نمایید


ثبت دیدگاه
حساب کاربری
جهت ثبت دیدگاه نیاز به ورود به حساب کاربری میباشد، قبلا ثبتنام کردهاید ؟ وارد شوید
کاربر گرامی، دیدگاه شما پس از تایید تیم مدیریت جهت دیگر کاربران نمایش داده خواهد شد.