CD4035

CD4035
جهت مشاهده گالری بر روی تصاویر کلیک نمایید.
  • دسته‌بندی: CMOS
  • کد محصول: TS2241
  • امتیاز محصول: 700
  • موجود درانبار: موجود
  • ۱۸۴,۹۱۴ ریال ۱۷۲,۸۱۷ ریال
  • دیتاشیت را دریافت نمایید محصول شامل دیتاشیت می‌باشد.

+
-

CD4035 CMOS 4-Stage Parallel-In/Parallel-Out Shift Register

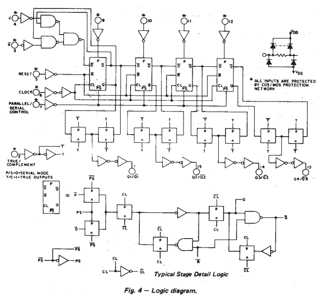
آی سی CD4035 از سری آی سی های CMOS شامل یک شیفت رجیستر سنکرون چهار مرحله ای با ورودی موازی و خروجی موازی (PIPO) می باشد که دارای 7 ورودی دیتا و یک ورودی پالس و 4 خروجی است. در ساختار داخلی این آی سی از فلیپ فلاپ JK (در مرحله اول) و فلیپ فلاپ D (در مراحل 2 و 3 و 4) استفاده شده است.

برای مشاهده جدول درستی و پایه های آی سی CD4035 به تصویر زیر مراجعه کنید:

جدول درستی و پایه های آی سی CD4035


برای مشاهده ساختار داخلی آی سی CD4035 به تصویر زیر مراجعه کنید:

ساختار داخلی آی سی CD4035



برای مشاهده سایر آی سی های CMOS به لینک زیر مراجعه کنید:

انواع آی سی های CMOS

برای دریافت دیتاشیت آی سی CD4035 به نوار مخصوص دیتاشیت محصول مراجعه نمایید.

برای خرید آی سی CD4035 به صورت اینترنتی می توانید از همین صفحه اقدام نمایید.

ثبت دیدگاه

کاربر گرامی، دیدگاه شما پس از تایید تیم مدیریت جهت دیگر کاربران نمایش داده خواهد شد.

جهت دریافت فایل بر روی نام آن‌ها کلیک نمایید

شاید مورد نیازتان شود

تخفیف‌های ویژه

با عضویت در وبسایت از تخفیف‌های ویژه برخوردار خواهید شد، کدهای تخفیف تنها برای اعضا گرانقدر وبسایت ارسال خواهد شد.

دارای مجوز

تمامی كالاها، دارای مجوزهای لازم از مراجع مربوطه مي‌باشند و فعایت فروشگاه تابع قوانين جمهوری اسلامی ايران است.