CD4034 org

CD4034 org
جهت مشاهده گالری بر روی تصاویر کلیک نمایید.
  • دسته‌بندی: CMOS
  • کد محصول: TS2240
  • امتیاز محصول: 700
  • موجود درانبار: موجود
  • ۱۴۴,۴۶۹ ریال ۱۳۵,۰۱۸ ریال
  • دیتاشیت را دریافت نمایید محصول شامل دیتاشیت می‌باشد.

+
-

CD4034 CMOS 8-Stage Static Bidirectional Parallel/Serial Input/Output Bus Register

آی سی CD4034 از سری آی سی های CMOS شامل یک شیفت رجیستر 8 مرحله ای دوطرفه ورودی-خروجی می باشد که دارای 9 ورودی دیتا و یک ورودی پالس و 8 خروجی می باشد. از ویژگی های این آی سی میتوان به انتقال اطلاعات به صورت سریال / موازی اشاره کرد. در ساختار داخلی این آی سی از فلیپ فلاپ D استفاده شده است. برای مشاهده جدول درستی آی سی CD4034 به جدول زیر مراجعه کنید:

جدول درستی آی سی CD4034


برای مشاهده مشخصات پایه های آی سی CD4034 به تصویر زیر مراجعه کنید:

پایه های آی سی CD4034


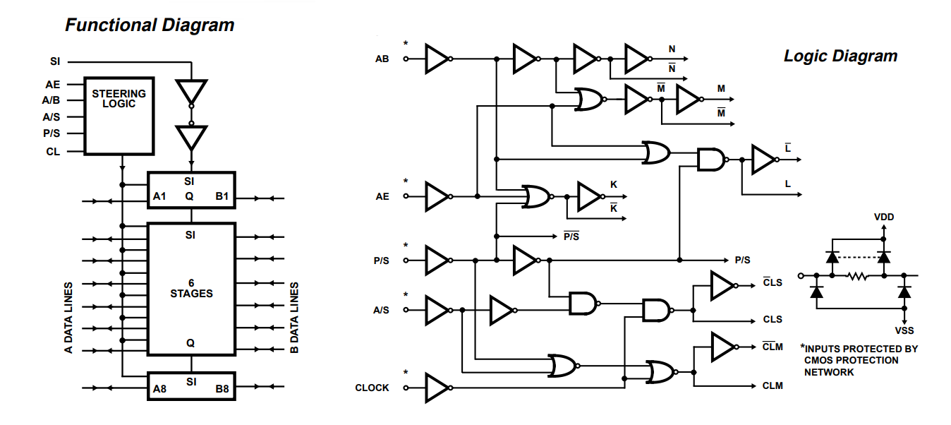
برای مشاهده ساختار داخلی آی سی CD4034 به تصویر زیر مراجعه کنید:

ساختار داخلی آی سی CD4034


Features

  • High Voltage Types (20V Rating)
  • Bidirectional Parallel Data Input
  • Parallel or Serial Inputs/Parallel Outputs
  • Asynchronous or Synchronous Parallel Data Loading
  • Parallel Data-Input Enable on “A” Data Lines (3-State Output)
  • Data Recirculation for Register Expansion
  • Multipackage Register Expansion
  • Fully Static Operation DC-to-10MHz (typ.) at VDD = 10V
  • Standardized Symmetrical Output Characteristics
  • 100% Tested for Quiescent Current at 20V
  • 5V, 10V and 15V Parametric Ratings
  • Maximum Input Current of 1µA at 18V Over Full Package-Temperature Range; - 100nA at 18V and +25C
  • Noise Margin (Over Full Package Temperature Range): - 1V at VDD = 5V - 2V at VDD = 10V - 2.5V at VDD = 15V
  • Meets All Requirements of JEDEC Tentative Standard No. 13B, “Standard Specifications for Description of ‘B’ Series CMOS Devices”


برای مشاهده سایر آی سی های CMOS به لینک زیر مراجعه کنید:

انواع آی سی های CMOS

برای دریافت دیتاشیت آی سی CD4034 به نوار مخصوص دیتاشیت محصول مراجعه نمایید.

برای خرید آی سی CD4034 به صورت اینترنتی می توانید از همین صفحه اقدام نمایید.

ثبت دیدگاه

کاربر گرامی، دیدگاه شما پس از تایید تیم مدیریت جهت دیگر کاربران نمایش داده خواهد شد.

جهت دریافت فایل بر روی نام آن‌ها کلیک نمایید

شاید مورد نیازتان شود

تخفیف‌های ویژه

با عضویت در وبسایت از تخفیف‌های ویژه برخوردار خواهید شد، کدهای تخفیف تنها برای اعضا گرانقدر وبسایت ارسال خواهد شد.

دارای مجوز

تمامی كالاها، دارای مجوزهای لازم از مراجع مربوطه مي‌باشند و فعایت فروشگاه تابع قوانين جمهوری اسلامی ايران است.